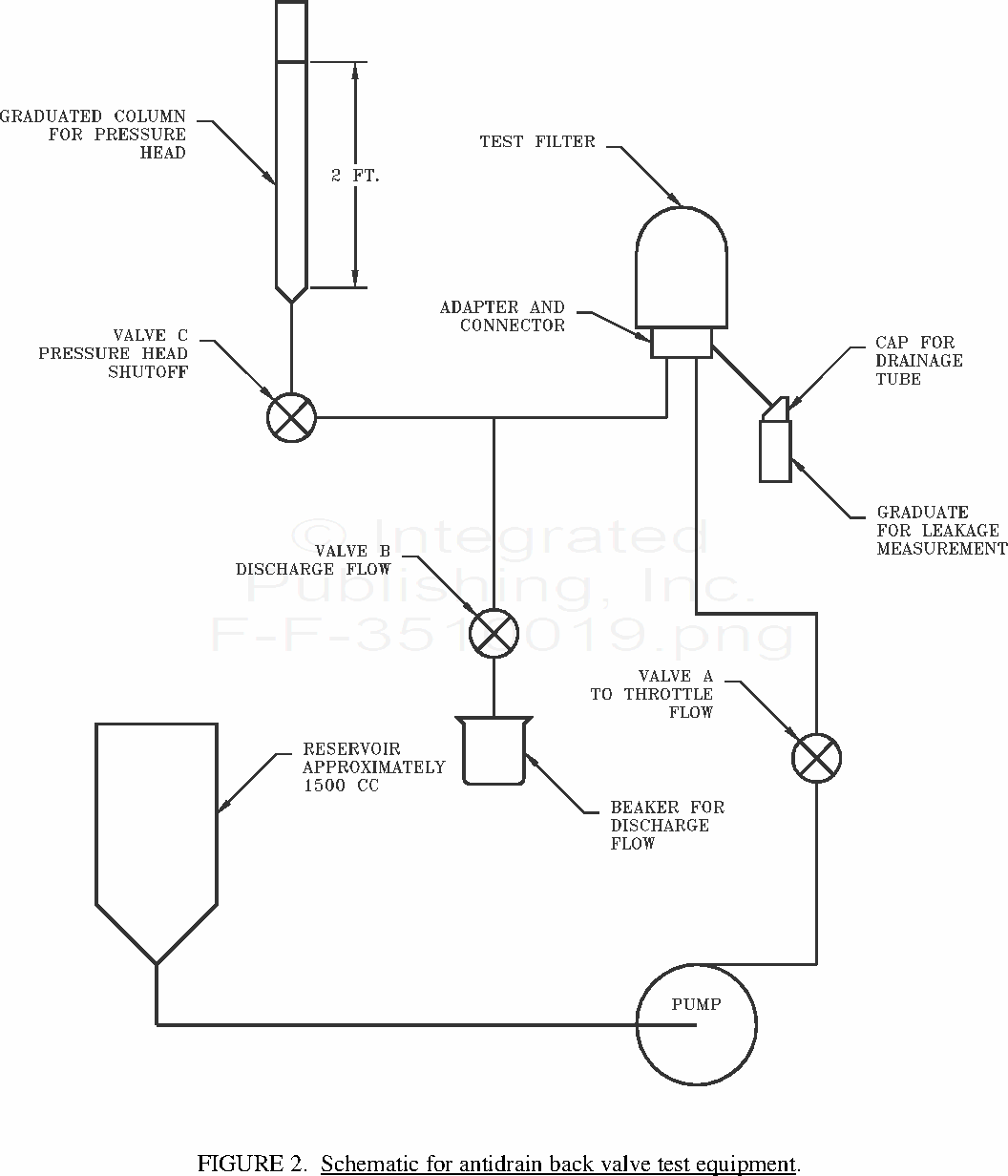
F-F-351 Filters And Filter Elements, Fluid Pressure: Lubricating Oil, Bypass And Full FlowThis specification covers oil filters and oil filter elements of bypass design; and also oil filter elements of the outside-to-inside flow-path of full-flow design for installation on internal combustion engines to remove contaminants from lubricating oil (see 6.1).